BMN Paris est un Bureau d'études d'exécution spécialisé dans les domaines fluides , thermique et électrique, nous intervenons dans toutes les phases de votre projet, de la phase conception au DOE( dossier d'ouvrage exécuté) à l'ère du BIM nous sommes également présent afin de vous proposer un travail de qualité suivant vos attentes et les exigences de la convention BIM.

Fort de notre expertise dans le secteur du génie climatique et électrique, nous mettons tout notre savoir-faire en œuvre pour vous  aider à réaliser vos ambitions

Fluides

À l’heure où les problématiques environnementales et énergétiques prennent une place majeure dans la construction et la rénovation de vos biens, faire appel à un expert en matière de génie climatique est devenu primordiale.

Thermique

La réglementation thermique 2012 (RT 2012) impose désormais, en moyenne, une consommation d’énergie de 50 kWhep/(m².an). Elle se traduit par l’application de normes drastiques en matière d’isolation thermique dans les constructions neuves, quel que soit leur usage. Elle est entrée en vigueur depuis le 1er janvier 2013. Ce chiffre est le tiers de ce qui a été exigé par la RT 2005. Quoi qu’il en soit, pour le commun des citoyens ce chiffre ne veut rien dire, il ne sait pas comment le respecter en pratique. D’où le recours au bureau d'étude thermique (BET) pour assurer la conformité technique des ouvrages aux recommandations de la RT 2012.

Nos prestations

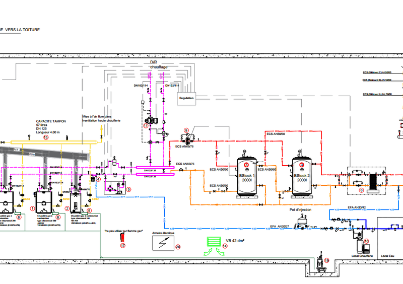
    • Plans d’exécution et de conception

    • Plans de réservations 

    • Maquettage de locaux techniques : Réalisation de maquettes pour sous-stations CPCU et chaufferies.

    • Schémas de principe : Conception de schémas hydrauliques et aérauliques.

    • Notes de calcul :

      • Pertes de charges,

      • Dimensionnement des réseaux, terminaux et équipements.

    • Électricité CVC :

      • Plans d’électricité,

      • Schémas de câblage pour armoires de contrôle-commande / régulation CVC.

    • Bilans de puissance et calculs de dimensionnement de câbles.

    • Optimisation technique et financière : Aménagement des locaux techniques et réseaux.

    • Mise à jour des plans : Intégration des évolutions en phase d’exécution.

    • Dossiers techniques :

      • Réalisation des DOE (Dossier des Ouvrages Exécutés),

      • Réalisation des DCE (Dossier de Consultation des Entreprises).

    • Études d’équilibrage :

      • Réseaux de chauffage,

      • Bouclage ECS.

    • Audits techniques : Diagnostic d’installations et rédaction de rapports.

    • Missions de maîtrise d’œuvre.

    • Assistance à la maîtrise d’ouvrage.

    • Pilotage et suivi de projets CVC / Plomberie.

    • Études de synthèse : Coordination technique inter-lots.

    Autonomes et polyvalents, nos ingénieurs et techniciens sont capables de s’adapter à n’importe quelle situation en vous proposant des axes de travail pertinents et permettant de résoudre les problématique rencontrées.

    Thermique

    • Études thermiques réglementaires (neuf et rénovation) aux performances souhaitées : RT 2012, RE 2020, RT rénovation, BBC Effinergie 2017, Bepos Effinergie 2017, Effinergie +, Bepos Effinergie 2013, BBC rénovation, Label E+C- …
    • Études thermiques spécifiques au label Passivhaus
    • Montage du dossier technique pour la certification Passivhaus et échanges avec le certificateur
    • Simulations thermiques dynamiques (Optimisation du confort estival, calcul d’un besoin de chauffage en corrélation avec l’usage du bâtiment, calcul des consommations tous usages et prévision de confort en cas de canicule)
    • Optimisation des ponts thermiques via calcul et échanges avec l’équipe de maîtrise d’œuvre ou l’entreprise
    • Études de faisabilité d’approvisionnement en énergie (selon l’arrêté 30 octobre 2013) et un retour en coûts cumulés sur 30 ans
    • Études en coût global
    • Optimisation de l’accès à l’éclairage naturel (Études de Facteur de Lumière Jour)
    • Études d’ombrage et d’ensoleillement (Optimisation de l’orientation, de la taille des balcons et casquettes et de l’architecture du bâtiment)
    • Calculs statiques de diffusion de vapeur d’eau au sein d’une paroi
    • Études d’acoustique de façades (selon l’arrêté du 30 mai 1996 modifié par l’arrêté du 3 septembre 2013), détermination de l’isolement acoustique minimal, et choix des matériaux en fonction

    D’un point de vue fluide

    • Calcul des puissances calorifiques et frigorifiques
    • Conception des lots thermiques et fluides
    • Rédactions des CCTP et réalisation de pièces graphiques
    • Aide au choix des entreprises
    • Réalisation des VISA
    • Assistance au suivi de travaux